
| 齿轮级数 | 1 | 2 | 3 | 4 | |
| 减速比 | 4、6 | 16、24、36 | 64、96、144、216 | 256、384、576、864、1296 | |
| 齿轮箱长度(mm) | 16 | 18.4 | 20.1 | 23.5 | |
| 高允许连续扭矩kgf.cm | 2 | 1.2 | 2 | 2.8 | |
| 高允许瞬间扭矩kgf.cm | 1.5 | 2.2 | 3 | 4 | |
| 效率% | 90 | 81 | 73 | 65 | |
| 旋向(从驱动到输出) | Same | ||||
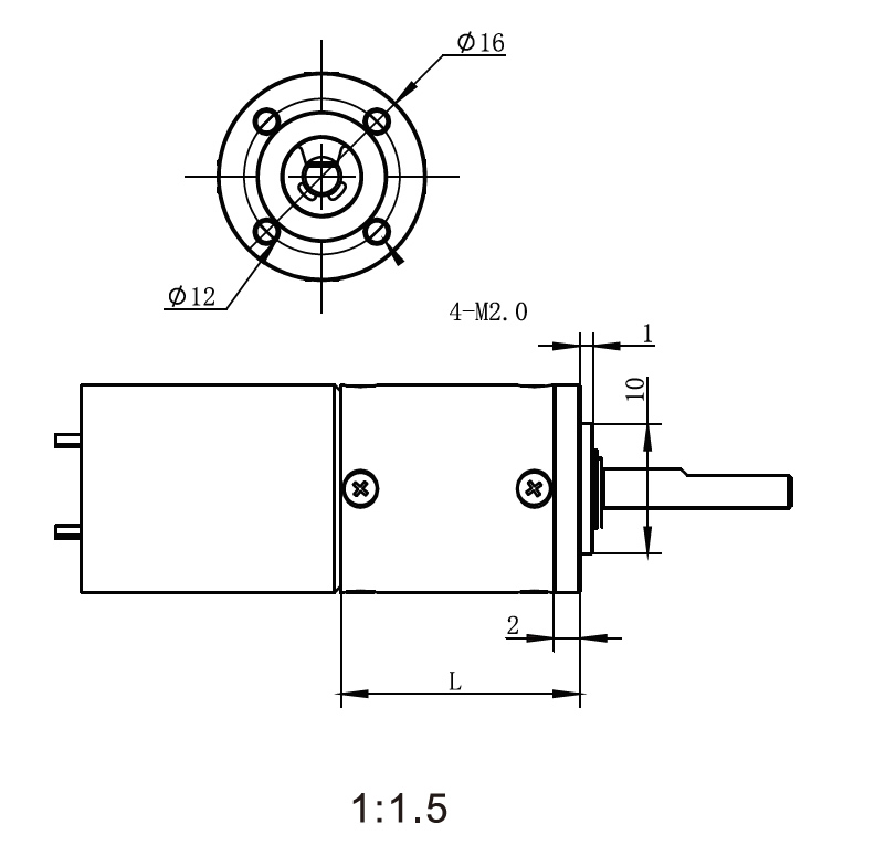
| 电机的长度 | 电机的总长度取决于指定的电机 | ||||
| 外径尺寸 | 16mm | ||||
| 齿轮箱类型 | 行星结构 | ||||
| 输出轴材质 | 不锈钢 | ||||
| 输出端轴承类型 | 滚珠轴承 | ||||
| 齿轮材质 | 机加钢齿 | ||||
| 外壳材质 | 金属 | ||||
| 工作湿度范围 | 20%-85%RH | ||||
| 工作温度范围 | -25℃~+100℃ | ||||
| 我司可根据客户要求设计和生产相关产品 | |||||